PT&P offers a complete line of adjustable instrument support components which, when combined, will create various configurations to your exact requirements or individual needs. We also provide welded instrument supports fabricated according to your specifications.
|
|
|
ADJUSTABLE INSTRUMENT SUPPORTS COMPONENTS
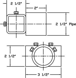
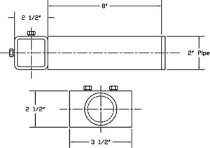
Primary support components are available in various mount styles, including floor mounts, wall mounts, u-bolt mounts, and cable mounts. These primary mounts can be used independently or together with secondary components to construct various packages for individual needs.
|
|
|
|
|
|
|
|
|
|
|
|
|
|
|
Note: The extension lengths shown on primary components are standard, other lengths can be furnished on request.
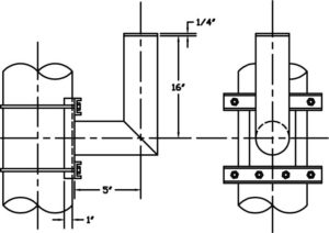
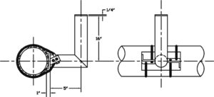
WELDED INSTRUMENT SUPPORTS
Welded instrument supports may be fabricated in any desired configuration according to the customer’s individual requirements and design specifications.
Examples of various welded instrument support configurations:
|
|
|
|
|
|
Instrument Supports Selection Chart
|
Cable Mounts
|
U-Bolt Mounts
|
Wall Mounts
|
Floor Mounts
|
Secondary Supports
|
|
| Attachment: |
Attached to instrument by cable.
|
Attached to piping instrumentation.
|
Welded or bolted to support.
|
Welded or bolted to support.
|
Attached to instrument; welded or clamped on stand.
|
|
Function:
|
Support and hold instrument at fixed location.
|
Hold instrument during plant operation.
|
Support instrumentation during operations.
|
Support instrumentation during operations.
|
Used in combination with primary supports to support instrumentation.
|
|
Location:
|
Where instrument is welded to structure
|
Bolted into concrete or welded to structure.
|
Bolted to walls and other vertical surfaces.
|
Bolted on the floor or in the ground.
|
Attached to primary instrument stands, usually floor or wall mounts.
|
















